Details

Spur Gearhead GS 38 A Ø38 mm, 0.1 - 0.6 Nm

Part number 110457

Spur Gearhead GS 38 A Ø38 mm, 0.1 - 0.6 Nm

This product is being discontinued. Our sales team will be happy to inform you about last order dates and alternatives.

Gears can be purchased only as a component of a combination.

Specifications

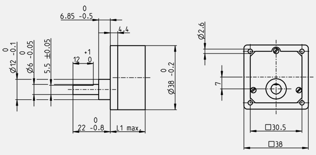
Technical illustrations

Information: Drawings are not to scale.

General information
Gearhead type GS
Outer diameter 38 mm
Version Standard version
Gearhead Data
Reduction 200 : 1
Absolute reduction 200/1
Max. motor shaft diameter 3 mm
Number of stages 5
Max. continuous torque 0.6 Nm
Max. intermittent torque 1.8 Nm
Direction of rotation, drive to output !=
Max. efficiency 59 %
Average backlash no load 2.5 °
Mass inertia 0.2 gcm²
Gearhead length (L1) 28.1 mm
Max. transmittable power (continuous) 1.6 W
Max. transmittable power (intermittent) 4.7 W
Technical Data
Bearing at output sleeve bearing
Radial play max. 0.1 mm, 12 mm from flange
Axial play 0.03 - 0.2 mm
Max. radial load 50 N, 12 mm from flange
Max. axial load (dynamic) 30 N
Max. force for press fits 500 N
Max. continuous input speed 5000 rpm
Max. intermittent input speed 5000 rpm
Recommended temperature range -5...+80 °C
Extended temperature range 80...+80 °C
Number of autoclave cycles 0
Product
Weight 70 g
  • Operating Range

    Continuous operation range
   
     
    Short term operation range
   

Description

Precision spur- and planetary gearheads matched to maxon motors. Gears are advantageously adapted directly to the desired motors in the delivery plant. The motor pinion is the input gearweel for the first stage and is rigidly affixed to the motor shaft.

Videos