Details
DCX 10 L Ø10 mm, Precious Metal Brushes CLL, sintered sleeve bearings
Part number DCX10L01EBSL541
This product can no longer be ordered. Please contact our sales support with the form. Thank you
Specifications
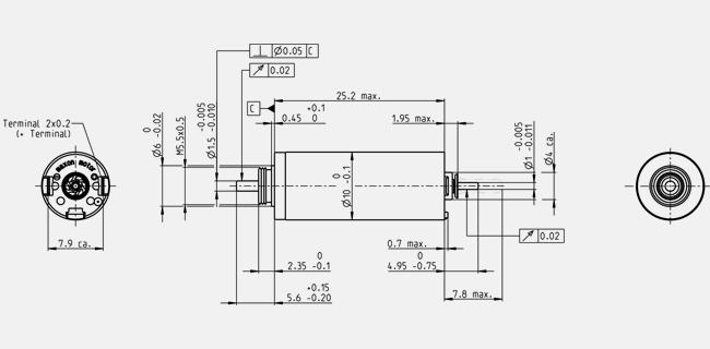
Technical illustrations
- Dimension drawing
Information: Drawings are not to scale.
Description
maxon DCX motors feature unrivaled power density (torque per volume) with quiet operation. The robust engineering, combined with the globally patented ironless winding, makes the DCX range a highly dynamic and responsive motor for a wide range of applications.The DCX 10 L is available as a small drive with preloaded ball bearings or sintered bearings. The optional spark suppression (CLL) and precious metal brushes increases the life-time of this high performance motor.
