Details
NRND
A-max 26 Ø26 mm, Precious Metal Brushes CLL, 4 Watt, with terminals
Part number 110169
| Price scales | Quantity | Price per unit |
|---|---|---|
| Prices excluding VAT and shipping costs | 1-4 | €108.31 |
| 5-19 | €97.47 | |
| 20-49 | €88.31 | |
| from 50 | On request |
NRND (Not Recommended for New Designs): These products continue to be available, but are not recommended for new projects. Our sales team will be happy to suggest alternatives.
Specifications
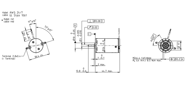
Technical illustrations
- Dimension drawing
Information: Drawings are not to scale.
| Values at nominal voltage | |
| Nominal voltage | 4.5 V |
| No load speed | 5720 rpm |
| No load current | 54.1 mA |
| Nominal speed | 4750 rpm |
| Nominal torque (max. continuous torque) | 5.87 mNm |
| Nominal current (max. continuous current) | 0.84 A |
| Stall torque | 34.9 mNm |
| Stall current | 4.7 A |
| Max. efficiency | 80 % |
| Characteristics | |
| Terminal resistance | 0.958 Ω |
| Terminal inductance | 0.101 mH |
| Torque constant | 7.43 mNm/A |
| Speed constant | 1290 rpm/V |
| Speed / torque gradient | 166 rpm/mNm |
| Mechanical time constant | 21.4 ms |
| Rotor inertia | 12.3 gcm² |
| Thermal data | |
| Thermal resistance housing-ambient | 13.2 K/W |
| Thermal resistance winding-housing | 3.2 K/W |
| Thermal time constant winding | 11.7 s |
| Thermal time constant motor | 422 s |
| Ambient temperature | -30...+65 °C |
| Max. winding temperature | +85 °C |
| Mechanical data | |
| Bearing type | sleeve bearing |
| Max. speed | 11000 rpm |
| Axial play | 0.1 - 0.2 mm |
| Radial play | 0.012 mm |
| Max. axial load (dynamic) | 1.7 N |
| Max. force for press fits (static) | 80 N |
| (static, shaft supported) | 0 N |
| Max. radial load | 5.5 N, 5 mm from flange |
| Other specifications | |
| Number of pole pairs | 1 |
| Number of commutator segments | 13 |
| Number of autoclave cycles | 0 |
| Product | |
| Weight | 100 g |
